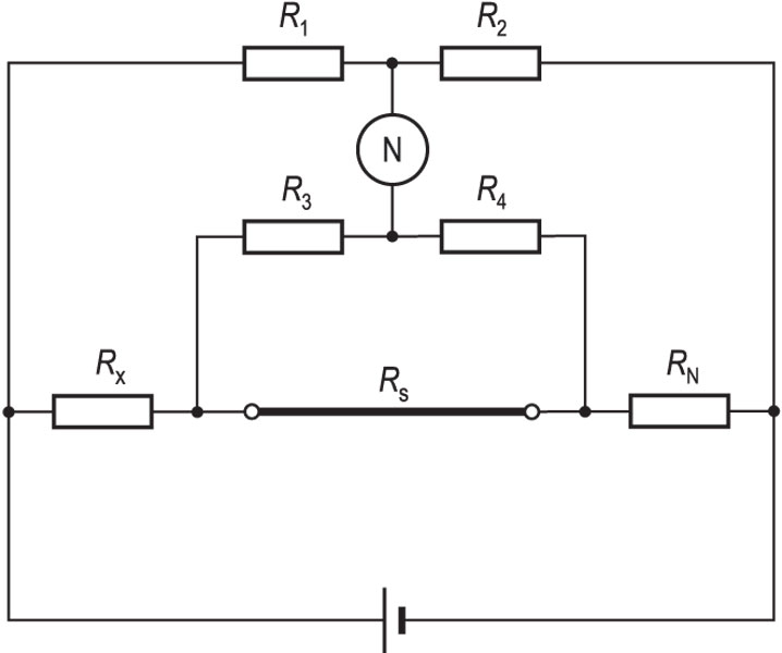
Kelvinov most
traži dalje ...Kelvinov most, Thomsonov most (engl. Kelvin’s bridge; njem. Kelvin-Brücke, Thomson Brücke; rus. мост Кельвина), dvostruki most za mjerenje malih el. otpora pri istosmjernoj struji. Uz → Wheatstoneov most najčešće je upotrebljavan most za mjerenje otpora i impedancije. Naziva se i dvostrukim Kelvinovim mostom, što potječe od udvostručenja grana osnovnoga spoja u Wheatstoneovu mostu. Uvjet ravnoteže opisan je jednadžbom:
\[R_x=R_N\frac{R_1}{R_2}+\frac{R_4 R_5}{R_3+R_4+R_5}\left(\frac{R_1}{R_2}-\frac{R_3}{R_4}\right).\]
Ako je Rs zanemariv ili su omjeri R1/R2 i R3/R4 međusobno dobro ujednačeni, iščezava drugi pribrojnik, pa je uvjet ravnoteže jednak kao i za Wheatstoneov most, tj. Rx = RN · R1 / R2. Nazvan po lordu Kelvinu (građansko ime W. Thomson).

članak preuzet iz tiskanog izdanja 2007.
Kelvinov most. Tehnički leksikon (2007), mrežno izdanje. Leksikografski zavod Miroslav Krleža, 2026. Pristupljeno 21.3.2026. <https://tehnicki.lzmk.hr/clanak/kelvinov-most>.
